Bomba BADU Prime Eco VS de Speck
A bomba de filtração BADU Prime Eco VS de Speck, é uma bomba que incorpora um motor muito eficiente de imã permanente. A sua classe de eficiência é IE3. Além disso, adicione um controlador de motor do mais innovador. Como resultado, trata-se de uma bomba tipo monobloc ideal para piscinas públicas, privadas e spas. Uma bomba de filtração que marca o seu funcionamento sobre um standards novos de poupança considerável d energía.
Esta bomba de filtração tipo monobloc está combinada com um cesto de filtrado. A junta de retem monta-se sobre a roda motriz de plástico, sendo todos os seus componentes de uma grande qualidade e estando fabricados para durar no tempo.
Há que dizer que o eixo do motor não entra em contato com a água em nenhum momento, pelo que aseguramos uma separação elétrica total e absoluta.
BADU Logic 3
Por outro lado, pode-se encontrar a unidade de control BADU Logic 3. Esta unidade de control é compatível com os modelos BADU Eco Touch-Pro II assim como com o BADU Eco VS. Inclui dois sensores de temperatura que permitirão controlar a filtração da água nestes modelos.
Características técnicas da bomba BADU Prime Eco VS de Speck
| BADU Prime Eco VS | Min. | Max. |
| Aspiração (mm) | 2 | 2 |
| Pressão (mm) | 1 ½ | 1 ½ |
| Tubos de aspiração/ pressão recomendada, Tubo de PVC (d) | 63 | 63 |
| Absorção de potência P1 (kW) | 0,08 | 1,40 |
| Emissão de potência P2 (kW) | 0,03 | 1,10 |
| Corrente nominal (A) | 0,60 | 6,10 |
| Revoluções (min*) | 1.000 | 3.000 |
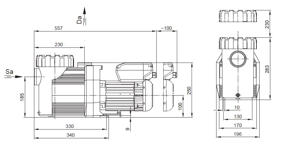
Dimensões da Bomba BADU Prime Eco VS

Curva de rendimento da bomba BADU Prime Eco VS de Speck

Especificações Bomba BADU Prime Eco VS do fabricante Speck






